臭氧微泡對礦山廢水中氨的去除效果研究
幾種物理、化學和生物技術有效地處理氨氮(NH3-N)。然而,低溫和污染物的混合物限制了NH3-N的去除效率。本研究評估了臭氧微泡對合成和五種實際礦井廢水中NH3-N的去除效率。測試更初是以批量模式進行的。然后,為了確認處理的可行性,對一個合成廢水和一個實際廢水進行了連續流動試驗。結果表明,待處理水的參數對處理效率有顯著影響。氰化物、氰酸鹽、硫氰酸鹽和金屬的存在對處理性能有負面影響。NH3-N去除率為27.8%~99.3%。
連續流動測試證實了大規模處理的可行性,因為99.1%的NH3-N在570分鐘的處理時間內以1.1L/min的流速處理。臭氧微氣泡處理后,更終的拋光步驟去除了水中的粉紅色,得到了令人滿意的處理水質量。

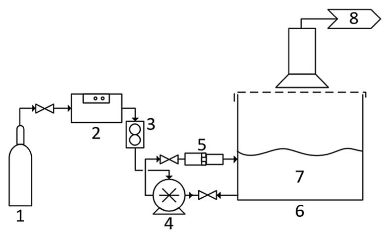
1. 氧氣;2.臭氧發生器Magnum 200;3.流量計(8l /min);4. 微泵;5。靜態混合器;6. 臭氧化反應器;7. 流出物;。
合成廢水的制備和實際廢水的取樣
用(NH4)2SO4 (23.59 g)配制合成出水,溶解于100 L自來水中,得到約50 mg/L的NNH3。采用ACS級(NH4)2SO4和NaOH制備合成出水。
對位于加拿大QC Abitibi-Temiscamingue的五個金礦的真實廢水進行了采樣(表1)。在礦山的不同點對廢水進行了采樣:(1)脫水水;(2)更終出水;(3)尾礦庫(池)上清水,NH3-N濃度變化范圍為22.3 ~ 43.4 mg/L(表1)。
臭氧微泡的制備
使用Magnum 200臭氧發生器(北京同林),在30 psi的氧氣(O2)下運行,氧氣流量為8 L/min,流量為75 g O3/h。O3的預期濃度大于12%。采用200 L池作為臭氧化反應器,對其進行改造,使O3通過Nikuni KTM32N微泡泵和OHR MX-F15 (Original Hydrodynamic Reaction Technology)靜態混合器供給。微泡泵的出口工作壓力為70 psi,吸入壓力為- 3.6 psi。
結論
本研究采用O3微泡間歇式和連續流中試處理系統,對NH3-N、Cu、Mn、Fe和Zn的去除率進行了評價。用合成廢水(~50 mg NH3-N mg/L)分批進行了可處理性試驗。然后,對5個NH3-N濃度在22.3 ~ 43.4 mg/L范圍內變化的真實出水進行測試。在氨氮濃度為22.0 mg/L的廢水中進行了處理效果優化。在每次處理開始、過程中和結束時對廢水進行表征能力測試。評價了pH值對處理效果的影響。結果表明,在pH值為9時,O3微泡處理對re的去除效率高于pH值為11時(97.6% vs. 86%)。因此,處理后的廢水不需要補充pH調整。結果表明,NH3-N氧化與CN -化合物(OCN -和SCN -)的存在有關。事實上,在之前的O3微泡中,污染物的去除首先涉及SCN -、CN -和OCN -氧化,然后才是NH3-N處理。
因此,在CN -化合物之前,NH3-N的去除效率降低了一半(例如,出水M和G: 99.7%對43.7%)。
這些結果表明,CN -化合物的存在會影響NH3-N的氧化反應,從而延長反應時間。
事實上,在測試的流出物中,處理效率是可變的,在批量測試中從27.8%到99.3%不等,在連續流中高達99.1%。這些結果證實了在O3微泡大規模應用前進行出水可處理性測試的必要性。