旋轉填充床中臭氧氧化處理蘭炭廢水生化出水
蘭炭廢水是指煤在中低溫干餾(約650 ℃)加工過程中產生的廢水。蘭炭廢水中的無機污染物主要有硫化物、氰化物、氨氮和硫氰化物等,有機污染物主要為煤焦油類物質,包括含量很高的酚類,單環及多環的芳香族化合物,以及含氮、硫、氧的雜環化合物等。因此,蘭炭廢水具有成分復雜、污染物濃度高、色度高、毒性大、性質穩定的特點,屬于較難處理的工業廢水之一。相關企業一般采用常規生化處理工藝處理蘭炭廢水,但由于其可生化性差,效果并不理想。
近年來,高級氧化工藝(AOP)因其氧化能力強、處理效率高的優點,正成為水處理領域研究的熱點之一。目前常用的AOP 包括臭氧氧化法、Fenton 氧化法、O3-Fenton 氧化法、O3-H2O2 氧化法、電催化氧化法等。臭氧對污染物的氧化降解主要通過臭氧直接與污染物反應,或者臭氧經過鏈式反應生成氧化能力更強的羥基自由基,由羥基自由基氧化降解污染物。
由旋轉填充床(RPB)實現的超重力技術是一種過程強化技術。RPB 通過旋轉的填料產生離心力場模擬超重力環境。在超重力環境下,由于離心力的作用液體在填料內徑向流動,被填料破碎成微米至納米級的不斷更新的液膜、液滴和液絲,從而產生巨大的相間接觸面積,極大地強化了傳遞過程,使得處理效率大幅提高。YANG 等通過超重力場中臭氧傳質性能與水中臭氧自分解動力學研究,證實了超重力技術一方面可強化臭氧傳質,增加單位時間內臭氧在水中的溶解量,另一方面超重力技術的強湍動特性加快了水中臭氧自分解反應速率,使得單位時間內·OH 的產生量增加。本研究以RPB 為反應器,采用臭氧氧化工藝深度處理實際蘭炭廢水一級生化池出水,目的是提高出水的可生化性,以便進入下一級生化處理裝置進行深度處理,考察了臭氧濃度、RPB 轉速、氣液比、pH、溫度和RPB 處理級數對廢水處理效果和臭氧利用率的影響,為蘭炭廢水的處理提供一種新思路。
1 實驗部分
1.1 材料、試劑和儀器
廢水:陜西省榆林市某蘭炭企業生產廢水經前端一級傳統生化工藝處理后的生化池出水,隨生產情況變化水質有一定波動,COD 為300~400 mg/L,BOD5 為20~65 mg/L,BOD5/COD 為0.07~0.18,pH 為7~8。氫氧化鈉、濃硫酸:分析純,購自北京化工廠。采用l mol/L 的NaOH 溶液和l mol/L 的H2SO4 溶液調節廢水pH。RPB:實驗室自行設計制作,外殼內徑180 mm,轉子內徑40 mm、外徑120mm,填料為不銹鋼金屬網,填料層軸向厚度15 mm。
3S-A10 型臭氧發生器:臭氧產生量10 g/h,功率180 W,北京同林科技有限公司。3S-J5000型臺式氣相臭氧濃度檢測儀:量程0~200 mg/L,北京同林科技有限責任公司。5B-3A 型COD 快速分析儀:蘭州連華環保。BD600 型BOD 測定儀:德國羅威邦公司。SHP-160 型生化培養箱:常州普天儀器制造有限公司。
1.2 實驗裝置及流程
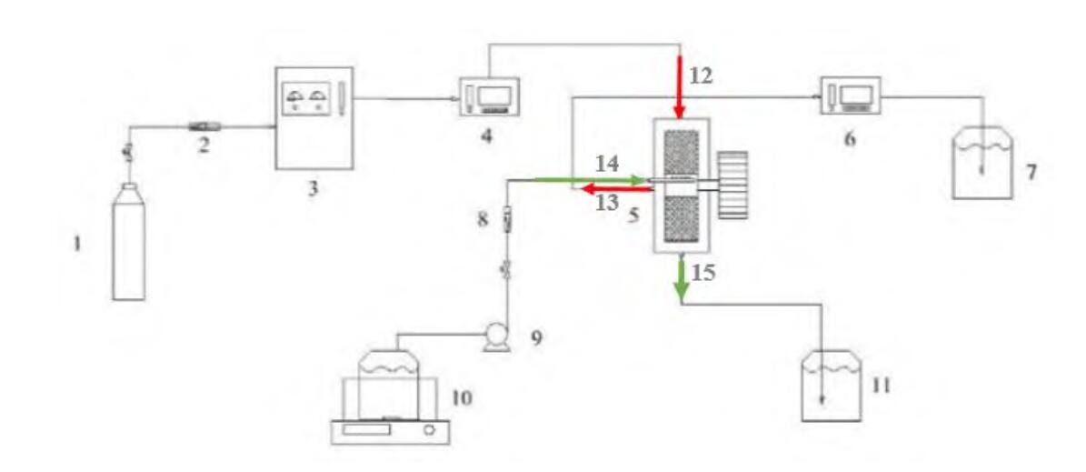
實驗裝置如圖1 所示。將調節至一定pH 的廢水置于設定好溫度的儲槽中;利用氧氣作為氣源通過
臭氧發生器產生臭氧并由進氣口通入RPB 中,通過調節氣體流量計控制進氣流量至設定值90 L/h,當進氣臭氧濃度分析儀上的示數達到所需濃度(通過調節臭氧發生器的功率控制臭氧濃度)且穩定時開啟RPB,調節RPB 轉速至設定值;廢水通過蠕動泵由進液口流入RPB 中,通過調節液體流量計控制進液流量,從而控制氣液比(進氣流量與進液流量的比);氣液兩相在RPB 中逆流接觸并反應,反應后廢水從RPB 底部的出液口流出至廢液槽,反應后氣體從RPB 中部的出氣口流出,經KI 溶液吸收剩余臭氧后排放。待處理廢水一次通過RPB 的過程為一級處理,經一級處理完畢的廢水倒入儲槽中再次進入RPB 中進行反應即為二級處理。待出氣臭氧濃度檢測儀示數穩定后即可對出液口流出液體進行取樣分析。

臭氧實驗裝置示意圖
1 O2 鋼瓶;2 氣體流量計;3 臭氧發生器;4 進氣臭氧濃度分析儀;5 RPB;6 出氣臭氧濃度分析儀;7 尾氣吸收裝置;8 液體流量計;9蠕動泵;10 帶控溫裝置的廢水儲槽;11 廢液槽;12 進氣口;13 出氣口;14 進液口;15 出液口
1.3 分析方法
采用臺式氣相臭氧濃度檢測儀測定氣體臭氧質量濃度,根據進出口氣體的臭氧質量濃度計算其利用率。按照國標《水質 化學需氧量的測定 快速消解分光光度法》(HJ/T 399—2007)測定水樣COD,根據處理前后的水樣COD 計算其去除率。按照國標《水質五日生化需氧量(BOD5)的測定 稀釋與接種法》(HJ505—2009)[16],在生化培養5d 后使用BOD 測定儀測定水樣BOD5,計算BOD5/COD。
2 結果與討論
2.1 進氣臭氧濃度的影響
待處理廢水COD 為316.4 mg/L,BOD5/COD 為0.08。在RPB 轉速為1 500 r/min、氣液比為5︰1、初始廢水pH 為7.11、廢水溫度為16.0 ℃的條件下進行一級處理,考察進氣臭氧濃度對廢水處理效果和臭氧利用率的影響,結果如圖2 所示。
由圖2a 可見,隨著進氣臭氧濃度的增加,廢水COD 去除率不斷提高,但臭氧利用率不斷降低。臭氧濃度越高,則有越多的臭氧與水中污染物反應,使得COD 去除量增加;但由于進液量一定,臭氧濃度過高時,部分臭氧未發生作用就隨尾氣排出,造成臭氧的浪費。
由圖2b 可見,隨著進氣臭氧濃度的增加,BOD5 先升高再降低,可能原因是臭氧濃度增加,水中難降解的大分子物質更多地分解成小分子物質,易于被微生物降解,但臭氧濃度過高時,部分物質直接被氧化成CO2 和H2O,導致BOD5 降低;當進氣臭氧質量濃度為50 mg/L 時,BOD5/COD 值很高,為0.19,是原水的2.38 倍,說明處理后廢水的可生化性明顯提高。
綜合考慮,選擇進氣臭氧質量濃度為50 mg/L。
2.2 RPB 轉速的影響
待處理廢水COD 為308.2 mg/L,BOD5/COD 為0.10。在進氣臭氧質量濃度為50 mg/L、氣液比為5︰1、初始廢水pH 為7.12、廢水溫度為16.0 ℃的條件下進行一級處理,考察RPB 轉速對廢水處理效果和臭氧利用率的影響,結果如圖3 所示。
由圖3a 可見,隨著RPB 轉速的增加,廢水COD 去除率不斷提高,臭氧利用率也隨之增加。轉速提高可以使液相在RPB 中被切割成體積更小的液滴、液絲和液膜,增加液相與氣相的接觸面積,增強混合和傳質效果,從而改善COD 的去除效果。
由圖3b 可見:隨著RPB 轉速的增加,BOD5 基本保持不變,原因可能是轉速較低時,已將水中易分解的大分子物質分解成小分子物質,故轉速繼續增加對BOD5 的影響不明顯;當轉速為1 500 r/min 時,
BOD5/COD 為0.23,是原水的2.30 倍,廢水可生化性較好。
綜合考慮,選擇RPB 轉速為1 500 r/min。
2.3 氣液比的影響
待處理廢水COD 為311.4 mg/L,BOD5/COD 為0.07。在進氣臭氧質量濃度為50 mg/L、RPB 轉速為1500 r/min、初始廢水pH 為7.12、廢水溫度為15.0 ℃的條件下進行一級處理,考察氣液比對廢水處理效果和臭氧利用率的影響,結果如圖4 所示。
由圖4a 可見,隨著氣液比的增大,COD 去除率不斷提高,但臭氧利用率不斷降低。在相同的氣量條件下,氣液比增加意味著進液量減小,單位時間內臭氧與一定體積廢水接觸的臭氧總量相對增加、臭氧濃度相對加大,從而促進了水中污染物的降解,強化了廢水的處理效果,故在低液量時COD 的去除率較高。但液量減小,單位時間內與臭氧反應的物質減少,導致臭氧利用率降低。由圖4b 可見,隨著氣液比的增大,BOD5 基本保持不變,原因可能是,氣量一定時液量的變化直接影響的是處理量,而對水中物質的氧化分解程度影響較??;當氣液比為5︰1 時,BOD5/COD 為0.19,是原水的2.71 倍。
綜合考慮,選擇適宜的氣液比為5︰1。
2.4 初始廢水pH 的影響
待處理廢水COD 為357.0 mg/L,BOD5/COD 為0.12。在進氣臭氧質量濃度為50 mg/L、RPB 轉速為1500 r/min、氣液比為5︰1、廢水溫度為20.0 ℃的條件下進行一級處理,考察初始廢水pH 對廢水處理效果和臭氧利用率的影響,結果如圖5 所示。
由圖5a 可見,隨著初始廢水pH 的升高,廢水COD 去除率和臭氧利用率均不斷增加。在溶液中臭氧氧化有兩種途徑[17],直接臭氧氧化和臭氧反應生成·OH 進行間接氧化。水中臭氧生成·OH 的過程如式(1)~(3)所示。臭氧的氧化還原電位為2.07 V,·OH 的氧化還原電位為2.80 V。·OH 具有更強的氧化性,可以無選擇性地降解有機物,增強處理效果,提高臭氧利用率。隨著廢水pH 的升高,在中性及堿性范圍內,水中OH-濃度較高,促進了·OH 的產生,使得廢水的處理效果增強。
H2O↔H++OH- (1)
O3+OH-→HO2-+O2 (2)
O3+HO2-→?OH+O2+O2- (3)
由圖5b 可見,隨著初始廢水pH 的升高,COD 不斷降低,BOD5 也略有降低,水體的BOD5/COD 變化不大,整體保持在較高水平。原因可能是,隨著初始廢水pH 的升高,促進了·OH 的產生,在·OH 的作用下,部分容易降解的物質直接被氧化成CO2 和H2O,導致BOD5 出現小幅下降?,F場原水pH 在7~8 間波動,考慮到實際生產需求,初始廢水pH 保持原水pH 進行實驗,不加處理。
2.5 廢水溫度的影響
待處理廢水COD 為357.0 mg/L,BOD5/COD 為0.18。在進氣臭氧質量濃度為50 mg/L、RPB 轉速為1500 r/min、氣液比為5︰1、初始廢水pH 為7.15 的條件下進行一級處理,考察廢水溫度對廢水處理效果和臭氧利用率的影響,結果如圖6 所示。
由圖6a 可見,隨著溫度的升高,廢水COD 去除率不和臭氧利用率均不斷增加。溫度升高,分子運動加劇,一方面提高了反應速率,另一方面強化了廢水與臭氧的混合,處理效果增強。由圖6b 可見,隨著溫度的升高,BOD5 變化不大,BOD5/COD 整體保持在較高水平,可能的原因是,溫度的升高加快了反應速率,促進了COD 的降解,但對于BOD5 的產生影響較小,導致BOD5/COD 差異不大;當溫度為25.0 ℃時,BOD5/COD 為0.27,是原水的1.50 倍,廢水的可生化性較好。雖然溫度對COD 的影響較為明顯,考慮到處理工藝的經濟性,選擇廢水處理在常溫下進行,不調節溫度。
2.6 處理級數的影響
待處理廢水COD 為340.0 mg/L,BOD5/COD 為0.18。在進氣臭氧質量濃度為50 mg/L、RPB 轉速為1500 r/min、初始廢水pH 為7.77、廢水溫度為24.7 ℃的條件下,考察處理級數對廢水處理效果和臭氧利用率的影響,結果如表1 所示。
由表1 可見:RPB 兩級處理效果明顯優于一級處理;當氣液比分別為2︰1 和5︰1 時,一級處理的COD 去除率分別為9.6%和13.2%,經過第二級進一步處理后,COD 的總去除率分別提高至16.0%和19.7%,表明增加處理級數可改善COD 的降解效果。由表1 還可見,當氣液比分別為2︰1 和5︰1 時,一級處理后BOD5/COD 分別由原水的0.18 提升至0.25 和0.28,經第二級進一步處理后,BOD5/COD 進一步升至0.29和0.34,分別為原水的1.61 和1.89 倍,表明增加處理級數可進一步提高廢水的可生化性。經過RPB 兩級處理后,出水基本滿足后續生化處理要求。
3 結論
a)以RPB 為反應器,采用臭氧氧化工藝深度處理實際蘭炭廢水一級生化池出水。適宜的工藝條件為:保持進氣流量90 L/h 不變,不調節廢水pH 和溫度,控制臭氧質量濃度50 mg/L、氣液比5︰1、RPB 轉速1 500 r/min,進行二級處理。b)在上述工藝條件下,處理COD 為340.0 mg/L、BOD5/COD 為0.18、pH 為7.77、溫度為24.7 ℃的廢水,處理后出水COD 去除率為19.7%,BOD5/COD 為0.34,可生化性大幅提高,可滿足后續生化處理要求。
常佳偉,樊金夢,王 偉,趙 磊,邵 磊
1. 北京化工大學 有機無機復合材料國家重點實驗室,北京 100029;
2. 北京化工大學 教育部超重力工程研究中心,北京 100029;
3. 北京萬邦達環保技術股份有限公司,北京 100875)
參 考 文 獻
[1] 盧永,申世峰,嚴蓮荷,等. 焦化廢水生化處理研究新進展[J]. 環境工程,2009,27(4):13-16.
[2] 徐杰峰,王敏,卓悅. 新型蘭炭企業生產污水“零排放”工藝研究[J]. 地下水,2009,31(5):143-146.
[3] 雷樂成,汪大翚. 水處理高級氧化技術[M]. 北京:化學工業出版社,2001:3-12.
[4] 魏令勇,郭紹輝,閻光緒. 高級氧化法提高難降解有機污水生物降解性能的研究進展[J]. 水處理技術,2011,37(1):14-19.
[5] 王超,姚淑美,彭葉平,等. 高級氧化法處理抗生素廢水研究進展[J]. 化工環保,2018,38(2):135-140.
[6] 陳思莉,汪曉軍,顧曉揚,等. 高級氧化處理苯酚廢水的研究[J]. 環境科學與技術,2008,31(1):96-99.
[7] 鐘理,陳建軍. 高級氧化處理有機污水技術進展[J]. 工業水處理,2002,22(1):1-5.
[8] 陳德強. 高級氧化法處理難降解有機廢水研究進展[J]. 環境保護科學,2005,31(6):20-23.
[9] 刁金祥,劉有智,焦緯洲,等. 超重力旋轉填料床應用研究進展[J]. 化工生產與技術,2006,13(1):48-51.
[10] 王丹,單明軍,王偉,等. 超重力-O3-Fenton 氧化法深度處理彩涂廢水[J]. 化工環保,2016,36(5):527-531.
[11] LIU T R, WANG D, WANG W, et al. Study on the efficient production of ozone water by a rotating packed bed [J]. Ind Eng Chem Res, 2019, 58(17): 7227-7232.
[12] WANG D, LIU T R, MA L, et al. Modeling and experimental studies on ozone absorption into phenolic solution in a rotating packed bed [J]. Ind Eng Chem Res, 2019, 58(17): 7052-7062.
[13] YANG P Z, LUO S, LIU H Y, et al. Aqueous ozone decomposition kinetics in a rotating packed bed [J]. J Taiwan Inst Chem Eng, 2019, 96: 11-17.
[14] ZENG Z Q, ZOU H K, LI X, et al. Degradation of phenol by ozone in the presence of Fenton reagent in a rotating packed bed [J]. Chem Eng J, 2013, 229: 404-411.
[15] 國家環境保護總局科技標準司. 水質 化學需氧量的測定 快速消解分光光度法:HJ/T 399—2007[S]. 北京:中國環境科學出版社,2008.
[16] 環境保護部科技標準司. 水質 五日生化需氧量(BOD5)的測定 稀釋與接種法:HJ 505—2009[S]. 北京:中國環境科學出版社,2009.
[17] PERA-TITUS M, GARCI?A-MOLINA V, BAÑOS M A, et al. Degradation of chlorophenols by means of advanced oxidation processes: a general review [J]. Appl Catal, B, 2004, 47(4): 219-256.
[18] ABU AMR S S, AZIZ H A. New treatment of stabilized leachate by ozone/Fenton in the advanced oxidation process [J]. Waste Manage, 2012, 32(9): 1693-1698.